產品詳情
焊接墊片是起源于德國工業市場的另一種墊片概念。根據標準,有兩種墊片形式,DIN 2695的焊接平墊和焊接環墊。
焊接平墊
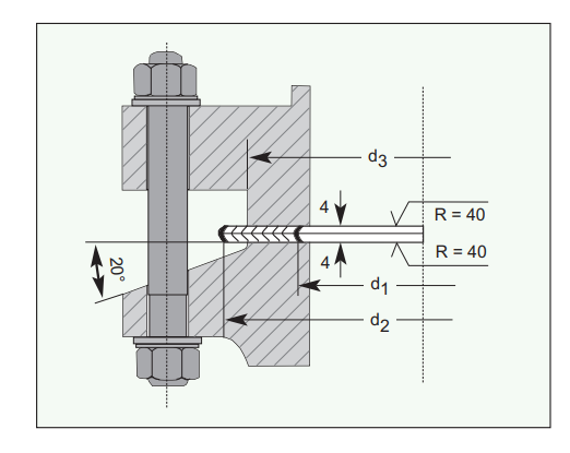
焊接平墊片由兩個類似的密封環組成,每個厚度0.157”(4mm)。切了確保化學兼容性、導熱性可控和焊接兼容
性,墊片材料必須與法蘭材料相同。每個密封環分別與配對法蘭焊接。法蘭裝配時,還需要進行第二次焊接操作,在
外徑上連接兩個密封環,形成完全焊接的接口。


焊接環墊
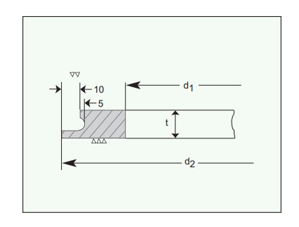
和焊接平墊片一樣,焊接環墊也分為2個部分。標準產品的每個密封環用與法蘭相似的材料制成,從而確保完全兼
容性。所有焊接操作在墊片和法蘭外側進行,便于定位,尤其在空間受限的情況下。有兩種型號,SR和SRL型可供
選擇。法蘭徑向伸縮存在差異時,建議采用SRL型產品。
SR型 SRL型
相關產品
發送詢盤